"Piping Times"《1981年》
  何故か、前年9月に催されたはずの P20 The Northern Meeting のレポートがこ の号に掲載されています。
 それによると、歴史あるこのコンペティションの 1980年の結果は次のとおり。

 Gold Medal コンペは 1st Tom Speirs“The Battle of Bealach nam Brog”、2nd Robert Barnes“Lament for the Departure of King James”、3rd Malcolm MacRae“Beloved Scotland”、4th Jackez Pincet“Ishbel MacKay”でした

 Clasp は、1st Iain Morrison“The Lament for the Dead”、2nd Donald MacPherson も同じ曲、3rd Hugh MacCallum“Hindro Hindro”、4th William Livingstone も 1st & 2nd と同様の“Lament for the Dead”だったとのこと。
 Clasp のその他のコンペティターとしては、Murray Henderson、Duncan MacFadyen、Iain MacFadyen、John MacDonald といった面々でした。


 今回はその他にはこれといってめぼしい記事が無いので、P5のニュー・リリースに関する広告ページを紹介します。

 BBC 録音による LPレコードの宣伝ですね。
 現在ではこれらの半分ほどはピーブロック・ソサエティーの会員専用サウンド・クリップ・アーカイブにアップされていま す。…ということは、まだ半分は聴いた事が無い訳。う〜ん、BBC のアーカイブのお宝、もっともっと公開して欲しいところです。
 なお、20分近い“Donald Ban”は LPレコードに納めるにはさすがに長大すぎるのでここでは Ground だけになっていますが、ピーブロック・ソサエティーのサウンド・クリップにはフルにアップされています。

 P12 London Contest は 前年11月1日に開催された The Scotish Piping Society of London による“The 41th Annual Competition”のレポート。

 最も権威ある賞である“The Bratach Gorm(the blue banner)”を獲得したのは Andrew Wright で 1974年以来2度目の受賞。曲目は“Lament for Donald Duaghal MacKay”。昨年の覇者、Malcolm MacRae と同じ曲ですね。

 2位以下は、2nd:Murray Henderson “Beloved Scotland”、3rd:Iain MacFadyen“Old Men of the Shells”、4th:Malcolm MacRae“The Earl of Seaforth's Salute”でした。

  8人のコンペティターが6曲づつ申告した課題曲は全部で41曲。内訳は、一番人気が6人が申告した“Beloved Scotland”で、続いて3人が申告した“Children”“Donald Duaghal MacKay”“MacSwan of Roaig”、2人が申告した、“Seaforth's Salute”“Park Piobaireachd No.2”“Old Men of the Shells”“Battle of Auldean”“Pass of Crieff”“MacLeod of Raasay's Salute”“Black Donald March”“Mary MacLeod”といった具合でした。

  表紙写真に我が懐かしの Angus J. MacLellan さ んが登場。

 説明によると、Angus J. がチェアマンを務 めている Scotich Pipers Association の会合でのスナップのようです。 写真の右手、Angus J. の右隣は Iain Morrison とのこと。


 1979年の 1月に亡くなった John MacFadyen については、1979年2月号で大々的 に追悼されていましたが、その後、ジョンの偉業を偲びその意思を次世代に引き継いでいくために、John MacFadyen Memorial Trust が設立されたことは 1980年2月号で報告されたとお り。そして、レクチャー&リサイタルが定期的に開催されるようになりました。

 P35 Report of John MacFadyen Memorial Trust は トラストのチェアマンたる Alasdair D. G. Milne による募金状況及び活動状況の報告、そして、募金者のリストが掲載されています。

 第1回レクチャー&リサイタルは1980年3月7日に Stirling Castle の Chapel Royal で開催され、その時のレクチャーは Seumas MacNeill、演奏は John の2人の弟である Iain Duncan MacFadyen が行いました。この催しについては既に 1980 年5月号でその概要が報告されています。
 1981年3月6日に Airthrey Castle で催された第2回レクチャー&リサイタルでは、Major-General Frank Richardson が 講演、演奏者は Hugh MacCallumAngus J. MacLellan だったとのこと。


 P13 John MacFadyen Memmorial Lecture は1980年5月号で概要が報告された第1回レクチャー&リサイタルに於ける、John の無二の朋友たる Seumas MacNeill による講演の詳細なレポート。 13ページにも渡る長文です。

 講演といっても、とりたてて堅苦しい学術的な内容という訳ではなく、至って平易な言葉で、John MacFadyen の ハイランド・パイプ界に於ける華々しい活躍ぶりと様々な尽力とその成果について語られています。それらの多くは 1979年3月号の追悼文と重複しているので、あえて紹介は避けますが、John と最も近しい間柄であったシェーマスでな らではの、生前のジョンの人柄を偲 ばせるごくごくプライベートなエピソードは大変に興味深いものです。

 例えば、当時のパイパーたちに付けられたニックネームが幾つか披露されています。"Bones" はちょっと前に活躍したジャッジとして有名なあ る人物とのこと。Seumas が「この会場に来てい る」という "The Wee Man" というのは言 わずもがなの Donald MacLeod のこと でしょう。"Mac the Knife" と呼ばれる のは誰? そして、"Thin Man" はシェーマス 自身のこと。そして、John MacFadyen は シンプルに "The Big Fellow" と呼ばれていたそうな。どちらかというと肉体的なことよりも、あらゆる面で偉大だったからそう呼ばれていたのです。

 John MacFadyen は正にその活躍の絶頂期にコンペティション・フィールドからきっぱりと身を引き、精神的なプレッシャーの下で演奏しなく てはならないコンペティションより も、真に音楽を楽しむことができるリサイタルこそ本来あるべき姿だと主張し、実際にそのようなリサイタルを国の内外で展 開したことは、Seumas の追悼文 にも詳しく書かれています。そして、なによりもまず、John MacFadyen 「ハイランド・パイプを 愛しているからこの楽器を演奏する(he played the bagpipe because he loved it)という姿勢が貫かれ ていて、それ故、ありとあらゆる理想的なシチュエーションを捉えてはハイランド・パイプを演奏したということです。
 そのような時の彼の姿は “There would be John, knee-deep in heather, playing the most wonderful music, with nobody to listen to it but the birds - and John. ”という情景だったということ。
 この下りを読んで思わずはっとしたのですが、比較するのは全くもって不遜極 まりないことを承知の上で言わせてもらえれば、この情景はパイパー森が標高1800mの蓼科の高原で演奏している時の状 況とそっくりだということ。ただ し、蓼科の場合はアザミこそあちこちに咲いていますが、パイパー森が膝までの高さに埋れるのがヒースではなくて笹だとい う違いはありますが…。⇒その1その2

 Seumas が実際にそのような状況を共有した経 験を伝えるこんなエピソードが紹介されています。

 「あ る年の夏の夕、Oban(Argyllshier Gathering)からの帰路、 Dalmally と Tyndrum の間のある場所に差し掛かった時、 ジョンは『我々はここらで小休止して一曲演奏すべきだ』と主張しました。我々はロードサイドに車を止め、私は道路左 側にジョンは道路右側に向かいました。 Tyndrum からほど近いその場所は小さな湖(loch)が見える場所でした。私は程なく蚊の殺人的な攻撃に耐え切れず演奏を止 めて車に戻り、ジョンが“Catherine's Lament”を演奏するのを聴き惚れていまし た。夕日が西から低く射す込む夕暮れのその景観は無類の美しさでした。
 その道路は確かに寂しげな田舎道でしたが、夏の旅行シーズンならではの日頃は見慣れないナンバープレートを付けた 旅行車が忙しそうに行き来していまし た。私にとって至って不思議なことに、考え得る最も理想的な環境の中でジョンがこの偉大な音楽を演奏しているにも関 わらず、それらの車の誰ひとりとして車 を止めてジョンの演奏を聴きに来ようとしなかったことです。
 しかし、ついに一人の男性が車を止めて近づいてきました。私はきっとこの男性は『あの人が演奏しているのは一体ど んな音楽ですか?』そして『何故ここで 演奏しているんですか?』といった問い掛けをしてくるだろうと待ち構えていました。しかし、この男性は至って正統的 なイングリッシュ訛りで 『Crianlarich への道はこれで良いんだろうか?』と聞いてきたのです。私は『そのとおり、あなたは Crianlarich への正しい道を進んでいます。』と答えましたが、その実、彼が6マイル手前で間違った道に入り込んでいるという本当 のことは伝えませんでした。」

  このエピソードを読んで、何故か私はデジャブにも似た思いを抱きました。というのも、このストーリーを読んだのがまるで つい先日の事のような気がしたので す。毎月こうして 30年前の "Piping Times" を読み返していると、どの記事についても「確かに大層昔に読んだけど殆ど忘れている」か「その当時は全く読 まなかった」というのが大方の印象 なのですが、そのような中で、このストーリーだけは読んだ時の事、そして「夕日指すハイランドの類い稀な美しい景色の中 でピーブロックを演奏するというの はさぞかし気分良いだろうな〜? 自分もそんなところに身を置いてみたいなもんだ。」と夢想に耽ったことをやけに鮮明に 覚えているのです。

 さて、当時と現代とで根本的に状況が違うのは、今では単に想像するだけでなく、Googl Earth でその場を疑似体験出来るということです。例によって、この夕べに John Seumas がパイ プを演奏した場所を推し量ってみました。

 ↑ このエピソードで描かれている情報から推測して、その場所は A85号線の Tyndrum からほど近い場所にある小さな湖を眺める位置で、路肩に轍の後ある退避パースペースが確認できる正にこの辺りだと思われ ます。確かに、夏の夕日が指してい るような状況でこの場所に差し掛かったら、私も間違いなく同じことをするだろうと思います。

 ←はこのレポートに挿入されていた最後の写真ですが、キャプションを読んでいただけれ ば分かるように、スコットランド、アイルランド、ノーサンバランド、それぞれのバグパイプ界を代表する巨人3人と Seumas

 最後にもう一つのエピソードを紹介します。
 ↑の2番目の写真で二人が先導しているオバ様たち(おっと失礼)の中に居る Dame Flora MacLeod の 葬儀の前夜の出来事。生前の Dame Flora の要望に応じて、Dunvegan 城の応接室に横たえられた彼女の亡骸を前にして、二人は交替で延々とピーブロックを演奏し続けたということ。
 それも、John が曲の最後のグラウンドに差し掛かると Seumas が 一緒にグラウンドを演奏し始め、Seumas が 引き続 いて新しい曲のグラウンドを演奏し 始める段になって John がパイプを止める、という具合にチェイン・スモーキングならぬ、チェイン・パイピングで、なんと2時間に渡ってパイプの音色が途切れなかったと いうのですからスゴイ!。
 そして、翌日の葬儀に際しては、JohnSeumas の二人で、“MacLeod's Salute”を 4回半(半ってのはなんなんでしょう? とにかくこの曲は一通り演奏して10分なのでこれでおよそ45分)演奏した後、 “Lament for the Children”のグラウンドを演奏したということ。

 究極の鎮魂演奏ですね〜。

 P14 Piobaireachd Society Conference は 3月14(土)〜15日(日)に開催された1981年のカンファレンスの概要レポート。
  その当時の(…というか、現在もですが)カンファレンスの規模についてどのようなものか? 興味があるところですが、このレポートによると出席者はおよそ 50人とのこと。このレポートの最後にはなんとご丁寧にも参加者全員の名前が記されていたので、試しに一人ひとり数えてみた ところ、何組かの夫婦参加を含 めて総勢 56人でした。その内、私が名前を知っているような要人が10数人。

 さて、肝心のレクチャーはどのようなテーマだったのでしょうか。
 まず、14日(土)午前中のこの年最初の講演者は、Ruairidh Halford MacLeod という人。テーマは“The documentary evidence of the MacCrimmons”
 昼食を挟んで午後は“The life and times of Pipe Major Willie Ross”をテーマに、Captain John MacLellan、John Burgess、 George Stoddart Gavin の父親)といった Willie Ross と親交の深かった人々によって様々な思い出話が語られました。
 そして、最終日15日(日)午前中は David Murray による毎年定番のセットチューンの解説。

  ところで、ご存知のようにピーブロック・ソサエティーのサイト(のメンバーズ・セクション)には毎年の講演録 (Proceedings)の PDFファイルが公開されていますが、何故かこの 1981年(と 1979年)の講演録は抜けています。以前にも書いたように、私は既に全ての講演録を紙ベースで入手済みなのですが、そ の中にもこの2年の講演録は有りま せん。何らかの理由で記録が無くなったのか、そもそも記録する機会を逸したのでしょうか?


 さて、カンファレンスではイブに当たる金曜夜と初日土曜の夜にケイリー(Ceilidh)が開催されるようですが、 このレポートではこのケイリーの中で演奏された曲が克明に記されています。
 それによると、まず金曜夜には、Euan Anderson“MacLeod of Raasay's Salute”、Malcolm Macrae“The Old Woman's Lullaby”、Dugald MacNeill“The End of the Great Bridge”、そして、土曜夜は David Murray“The Salute on the Birth of Rory Mor MacLeod”、John Shone“Clan Campbell's Gathering”、Robert Wallace“The King's Taxes”、Euan Anderson“The Rout of Glenfruin”、Malcolm Macrae“The Park Piobaireachd No.2”、Colin Drummond“A Flame of Wrath for Squinting Patrik”、Sir Patrick Grant“The MacNabs' Gathering”、Tom Speirs“The Lament for Mary MacLeod”と、なんとも贅沢に全部で11曲のピーブロックが演奏されたということです。
 ケイリーではこの他に Gaelic songs なども披露されるようで、私なぞは哀しいかなどうあがいても本番のレクチャーの聞き取りはままならないでしょうから、そ れらは後日講演録で読ませてもらう として、出来るならばケイリーだけでも覗いてみたいものだと思いました。


 P18 John MacFadyen Remenbered は3月6日に開催された第2回の John MacFadyen Memorial Lecture/Recital の速報。

 催しのオープニングとして、John MacFadyne が Clasp で最初に優勝した際に演奏した曲“Beloved Scotland”が Hugh MacCallum によって演奏されました。
 そして、この年の講演者は Major General Frank M. Rechardson 。詳細な講演録は次号の“Piping Times”に掲載されるということです(…って、果たして本当に次号に掲載されるのでしょうか?)。
 2番目の演奏は、催しの直前になって病気のため参加できなくなった John Burgess に替わった Angus J. MacLellan 。“The Earl of Seaforth's Salute”の sparkling interpretation を披露したとのこと。
 その後、John MacFadyen が主催したリサイタルでは定番であった Gaelic Songs が披露された後、再び、Hugh MacCallum によって“Lament for Donald Ban MacCrimmon ”と“Nameless - Cherede Darieva”の2曲が披露されました。


 P24 "War or Peace" は久しぶりに曲の紹介です。紹介者はお馴染みの Roderick Cannon。以下、前半部分について大幅に省略した抄訳を…。

  「この曲は、ピーブロックの中でもその名を最も良く知られている曲の一つである。しかし、(最近では)演奏されることは 至って少ない。一方で、18世紀後 半以降ピーブロックが初めて収集され楽譜に書き下ろされるようになった当時は、この曲は大変にポピュラーであったと思わ れる。何故なら、この曲は "Patrick MacDonald's A Collection of Highland Vocal Airs, 1784" に始まり "MacLeod of Gesto's Canntaireachd collection, 1828"、"Angus MacKay's Collection of Ancient Piobaireachd, 1838"、Donald MacDonald MSPeter Reid MS と言った、当時出版された少なくとも5つの楽譜集に収められているからである。
 Angus MacKay の見解によると「この曲は特定のクランに関するものではなく、全てのクランに当てはまる」ということ。Patrick MacDonald はこの曲を "The Gathering of the Clans" と呼んでいる。そして、なによ りもこの曲を演奏する者は、ウルラールの冒頭のメロディーに次の Gaelic verse が充てられる、ということを心しておくべし。(↓は英語訳)」

"War or peace, it's all the same to me.
I'll be killed in war, or in peacetime I'll be hanged"


 さて、キャノンは 1978年4月号 で“Cha Till Mi Tuilleh”を紹介した時と同様に Patrick MacDonaldA Collection of Highland Vocal Airs に収められている楽譜を引用して解説(解析?)します。そこでも書いたとおり、この楽譜集の編集者たる Patrick MacDonald はパイパーではなかったた め、この楽譜にも装飾音は一切記載されていませんが、至って細かいことにこだわる性格の Patrick MacDonald が書き下ろしたこの楽 譜の精度はかなり高いものである、 というのが Cannon の 見解です。

   例によって Cannon は、Patrick の採譜したこのスコアについて事細かに解析した 後、P26〜27の見開きを使って、 バグパイプ・アレンジメントを加えたスコアを書き起こしています。(クリックで拡大)


 今回の記事ではありませんが、Alex Haddow も、例の "The History and Structure of Ceol Mor" の中でこの曲について、"This is the battle piobaireachd par excellence and probably has so for hundreds of years."(斜体強調文字も原文どおり)と書いているように、この曲、 実際にパイプでの演奏を聴いてみると大変素晴らしい曲です。どうして、最近は演奏されることが少ないのでしょう?

 さて、ついでに、Haddow の本から一つの興味深いエピソードを紹介しておきましょう。

  「1813年の Battle of St. Pierre の際、クラン Gordon のパイパーがこの曲を演奏していた。ところが、そのパイパーが殺されてしまったので、すかさず2人目のパイパーが演奏を 引き継いだ。だが、程なくそのパイ パーも殺されてしまったので、とうとう3人目のパイパーが演奏を引き継いでやっと演奏し終わったと伝えられている。」

 う〜ん、なんともやはり壮絶な時代だったのですね〜。

⇒ "War or Peace" 関連記事

 P13 Second John MacFadyen Memorial Lecture は 1981年3月6日に開催された第2回記念講演の記録。 今回も 11ページに渡ります。(ただし、その内2ページは全面写真。)

 講演者の Major-General Frank Richardson によって、主に今世紀前半に活躍した様々なマエストロ・パイパーたちと John MacFadyen との様々なエピソードが語られます。

 Frank RichardsonSumas MacNeill と共に“PIOBAIREACHD and its Interpretaion” (1987)を著した人ですが、パイプのかおり第 23話でも書いたようにこの人の文章はシェーマスのそれに比べると段違いに読み辛い。そして、それはどうや ら文章だけでなく講演にも共通するようで、今回のレポートは4月号で紹介した昨年のシェーマスの講演録に比べると翻訳し て紹介しにくい。

 … ので、今回はレポートの中に何枚か挿入されているマエストロ・パイパーたちのスナップショットを転載することでお茶を濁 します。著作権は切れていると思わ れますので、誌面に掲載されていたとおりのオリジナルサイズです。どれをとっても中々味わい深い良い写真ばかりですね。


 P24 The Scottish Pipers Association はサブタイトル を Spring Newsletter として、SPA のチェアマンたる Angus J. MacLellan による会の 4半期の活動報告。

 4月11日に開催された Professional Competition の結果は、 1st P/M Angus MacDonald“MacDougall's Gathering”、2nd Angus J. MacLellan“Lament for Capt. MacDougall”、3rd P/M Iain Morrison“Too Long in This Condition”、4th Tom Spires“Clan Campbell's Gathering”だった由。


 P32 Bicentenary Contest は、ページ下 1/3 程のアナウンスメント。
  スコットランド史上初のパイピング・コンペティションは The Highland Society of London によって 1781年の10月、Falkirk Tryst に於いて開催されました。このコンペティションの 200周年を記念して、来る1981年10月10日、 200年前と同じく Falkirk に於いてコンペティションが開催されることになったとのこと。


 P33 Calum Piobaire's Origins は、現代の多くのパイパーたちが継承する MacPherson Style の一族の中でも最も有名な Calum Piobaire こと Malcolm MacPherson(1833〜1898) に関する記事。 MacPherson 一族のこ とについては、パイプのかおり第23話の 冒頭で1984年の Piobaireachd Society Conference に於いて Seumas MacNeilll が行ったレクチャーの報告のさわりを紹介していますが、今回の記事はそれとは別の側面にスポットを当てた記事。⇒パイプのかおり 第34話も関連記事
 ピーブロックの歴史フェチにとっては大変興味深い内容ですがあまりにも専門的過ぎるので、記事の詳細な紹介はさて おき、レポートの中に掲載されている写 真機が発明された直後の19世紀末に撮影されたと思しき、この歴史的人物の貴重な写真の紹介してお茶を濁します。 (写真下名前のスペルが間違っているのが ご愛嬌)

 もう一つは、これとは対称的に最新の衛星画像。
 記事の中に「1974年に Calum Piobaire が住んでいたコテッジの痕跡を(スカイ島の)Staffin の海辺近くの丘の上で確認することができた。」と書いてあったので、例によって Google Earth で「多分ここであろう」という場所を探し出しました。


 P38 The Customers Always Write に興味深い投書が…。
 上にも出てきた SPA のチェアマンたる Angus J. MacLellan さん、1980年1月号のこのコーナー で BBC のラジオ番組に於けるハイランド・パイプの扱いについて大いに憤慨していましたが、BBC に宛てたこの手紙はどうやらその続編のようです。
 先の憤慨アピールのかいあってか、その後、BBC ラジオ番組に於いては少しは改善がなされたようで、Angus J. は冒頭では慇懃にお礼を述べていますが、 その後の本文では細かく計算したデータを示しながら、最低でも改悪前と同等の 30分の放送枠を確保するようにと強く迫っています。 

 P9 Editorial で、シェーマスはこの10年間(つまり 1970年代のこと)の、ヨーロッパ各地に於ける様々なバグパイプのリバイバルの様子は、驚くべき状況である、と書いています。

 そして、この年の 11月9日〜13日に、World Bagpipe Cnvention という催しがベルギーで開催されることになったというが報告されています。
 参加する国は東西はブリタニーからロシア、南北には英国からリビアまでの 23カ国に上り、それぞれの国が少なくとも一種類以上のバグパイプをリストに上げ、最も多い国では 10種類のバグパイプがリストアップされているということです。
 当然ながら博物館の展示品を披露しあう訳ではありませんから、それぞれのバグパイプ固有の音楽が演奏される訳で、大英 帝国の一つとして、スコットランドからは John Burgess が演奏を披露することになっているとのことです。


 P11 A Visit to Australia は、1980年4月号で紹介した記事と同じタ イトルですが、今年(1981年)は、Murray & Patricia Henderson に代わって、Jimmy McIntosh が同様の招待を受けて、のべ5週間のオーストラリア&ニュージーランドに於けるレクチャー&チュートリアル・ツアーを敢 行したというレポート。2月のうす ら寒いスコットランドを抜けだして、陽光あふれる南半球で歓待されるのは、誰にとっても歓迎すべき申し出と言えるので しょう。


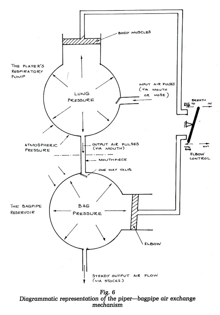
 P28 The Principles of Air Maintenance and Air Exchanges in the Highland Bagpipe と いう長〜いタイトルの記事は、内容も濃くてのべ 12ページに及ぶ力の入った論文です。といっても、その半分は以下のような図で、その間に理系に強くない人には到底理解 不能な数式がズラズラ並んでいると いう記事です。内容が理解できないのですから、紹介しようがありませんので、幾つかの図を転載してお茶を濁します。

 では…、

 この辺りは、まだまだ直感的に理解可能な範囲。

 でも、いよいよ次のような部分に差し掛かると、もう完璧にお手上げです。

 ハイランド・パイプ愛好家には、我が山根先生の例にも明らかなように、理系の学者さんも多いのようで、 “Piping Times”の誌面には時たまこのような至って科学的な解析による論文が掲載されるのは、これまでも幾つか紹介してきたところです。

 P26 "Lament for Donald of Laggan" は4月号に続いて Roderick Cannon による曲の紹介。このところ立て続 けで、この年は実り多い年ですね。

 さて、極めてポピュラーなこの曲ですが、日頃我々が聴いているバージョンは、Piobaireach Society Book(Vol.8/P219) や Kilberry Book に載っているセッ ティングで、元々は Angus MacKay の楽 譜集に収められていたものです。

 しかし、実際にはこの他にも2つの別バージョンがあり、その内一つは John MacKay MS、もう一つはお馴染み Campbell Canntaireachd MS に収められているものとのことで、 Cannon に よって後者のカンタラックから初めて五線譜に書き下ろされたのが、↓の楽譜です。

 Barnaby Brown は 1999年に Campbell Canntaireachd から書き起こした様々な曲の演奏を収めたアルバムをプライベートに作成しましたが、その "Classical Gaelic Piping of the 17th & 18th Centuries" というCD の中で、極めて珍しいこのバージョンの演奏音源を聴くことができます。


⇒ 関連記事("Dustirum" by Alan MacDonald)


 P27 Piping This CenturyAngus J. MacLellan による、20世紀のパイ ピング・ワールドを手みじかに概観したシリーズもの。今回は2つの世界大戦に挟まれた激動の1920〜1939年の様 子。その内の一部を紹介しましょう。

 1923年のトピックは P/M Willie Ross によって史上初めてハイランド・パイプの演奏がラジオ放送されたこと。 

 1926年には、John MacDonald が Oban(Argyllshire Gathering)の Gold Medal と Open Piobaireachd の両方に優勝したことが特筆されるとのこと。

 1929年のパイピング界は当代随一のマスターパイパーたる G. S. MacLennan をその技量とキャリアの絶頂期に失ったという悲しい年。一方で明るい話題としては、Robert Reid、Malcolm MacPherson、Robert U. Brown、Robert B. Nicol といった若手パイパーたちがいくつかのメ ジャーな賞を獲得し始めた年でもあった。

 1936年 Donald MacLeod という若い(1917年生/19才)有能なパイパーの名が世に出てきた年でした。

contents 目次にはありませんが、P14 の一面に掲載されている写真です。
 Iain MacFadyen の子息、Iain MacFadyen Jr. とのこと。どこかのコンペのチャンター部門で優勝した際の写真らしいです。
 かくして、一族の DNA はしっかりと引き継がれていくのですね。


 P29 The Principles of Air Maintenance and Air Exchanges in the Highland Bagpipe は6月号の記事に続く Part 2。

 今回もまた、なにやら難解な記事なのですが、挿入されている図が中々興味深げなので、またまたの究極の手抜き技で、 それらを掲載してオシマイにします。

 欠番のまま、どうしても入手できていません。

PT8110contents  P10 The Northern Meeting のレポートは 例 年のとおりにこの号冒頭に掲載。シェーマス・マクニールによって詳細にレポートされています。
 "The County Hotel has gone, 〜 the Eden Court Theatre a new home 〜" という記述があるところを見ると、どうやら、この年から現在の会場に変更になったようですね。

 Gold Medal コンペは 1st Jack Lee“Black Donald's March”、2nd Iain Hines“The Finger Lock”、3rd Robert Barnes“The End of the Great Bridge”、4th Colin Drummond“Squinting Patric's Flame of Wrath”でした。
 その他のコンペティターとしては、P/M Angus MacDonald、Finlay MacNeill、Jackie Pincet、Dr. Angus MacDonald、Malcolm MacRae、Patricia Henderson、Robert Wallace、John Hanning、Wilson Brown などといった名前が出てい ます。
 Patricia Henderson、は言うまでもな く今をときめく Faye Henderson、の母 親。30年後の娘の活躍の布石となっていますね。
 ちなみに、Gold Medal コンペのジャッジは、John D. Burgess、William M. MacDonald、James McIntosh と いう、こちらもそうそうたる面々。

 Clasp は、1st William Livingstone“The Laird of Annapool's Lament”、2nd Iain MacFadyen “The Rout of the Lowland Captain”、3rd Donald MacPherson“The Daughter's Lament”、4th Murray Henderson “Donald Gruamach's March”という結果。
 その他のコンペティターとしては、Hugh MacCallum、Donald Bain、Tom Spires、Duncan MacFadyen、Iain Morrison といったところ。

 さてこの他のピーブロック部門として、Silver Medal コンペの結果は 1st Amy Globe (Ontario)、2nd Roderick MacLeod、3rd Leslie Watson、4th Peter Kent (North Carolina) ということでした。

 ここでちょっと注意深くこれらの結果をチェックし直してみて下さい。お気づきになられたと思いますが、この年の The Northern Meeting では、シェーマスが“First prize went to young Jack Lee from British Columbia ”と書いている Gold Medal を筆頭に、全てのピーブロック部門の優勝者がカナダ人で占められたことです。これはこの由緒ある The Northern Meeting の歴史の中でも初めての事。
 そして、この他にも、Silver Medal コンペ で4位に入ったノースカロライナのパイパーや、Ceol beag 部門ではこの後のあらゆるコンペの常連として顔を出すようになるテキサス出身の Mke Cussack の名前も見受けられるなど、北米大陸 出身のパイパーたちが活躍が顕著になっているのが分かります。


 そんな中、こんな写真が掲載されていたので、紹介します。

John MacDougall

PT8111contents 1981年というのは、Canntaireachd No.17 のここで紹介した 1781年の 記念すべき Falkirk Tryst Contest から200周年に当たる年でした。P12 Falkirk Tryst Contest はこのイベントの 200周年を記念してこの年、The Highland Society of London によって主催されたコンペティションのレポート。

 記録によると、1781年のコンペティションに於いてピーブロックの技を競ったのは 13人のパイパーであったということで、200年後のこのコンペティションでも、それにちなんで 13人の参加者が揃えられました。
 それぞれのパイパーは事前に自らが選んだ 10曲を申告。コンペ当日にその中の1曲を演奏することが求められます。

 13人の顔ぶれと曲目は次のとおり。

 John MacDougall "Beloved Scotland"、Iain Morrison "Lord Lovat's Lament"、Donald MacPherson "Lament for the Children"、Murray Hendreson "The Daughter's Lament"、Iain MacFadyen "The Rout of the Lowland Captain"、Tom Speirs "The Lament for MacSwan of Roaig"、P/M Angus MacDonald "The Earl of Seaforths Salute"、Malcolm MacRae "MacLeod of Colbeck's Salute"、Angus MacLellan "Mary's Prise"、Bill Livingstone "Rory MacLeod's Lament"、Hugh MaCallum"Lament for the Earl of Antrim"、John Wilson "Lachlan MacNeil Campbell of Kintarbert's Fancy"、Andrew Wright "Lament for Colin Roy MacKenzie"、

 そして、順位は、1st P/M Angus MacDonald、2nd John Wilson、3rd Iain MacFadyen、4th Iain Morrison、5th Hugh MaCallumという結果だったということです。


Gavin Stoddart そしてもう一つ。この時期お決まりのコンペティション・レポートは、P28 The Argylshire Gathering

 The Senior Piobaireachd の結果は次のとおり。

1st John MacDougall“The Lament for the Laird of Anapool”
2nd Malcom MaRrae“The Park Piobaireachd”
3rd Murray Henderson“Craigellachie”
その他のコンペティターと演奏曲
Jack Taylor“Lament for the Union”
Duncan MacFadyen“The Rout of the Lowland Captain”

 The Gold Medal Piobaireachd の結果は次のとおり。

1st Gavin Stoddart“The Prince's Salute”、
2nd Iain Morrison “The Prince's Salute”
3rd Tom Spires“The Gathering of MacNabs”
4th Jack Taylor“A Flame of Wrath for Squinting Patrick”

8112contents 恒例によって12月号には P11 Grant's Championship のレポートが掲載。
  この年 1981年は第8回目になりますが、毎年のコンペティション・シーズンの最後を飾るこのコンペティション、年を追うごとにそのプレスティージが高まって来 ているとのこと。
 また、スポンサーとしてイベントタイトルに名を冠する Grants ウイスキーの代表的銘柄である Glenfiddich はこのコンペティションが開始された 1974年から、ドラマチックな売上アップを果たしているということ。PR 効果絶大ということのようです。

 さて、1981年のオーバーオール・チャンピオンに輝いたのは Iain MacFadyen。そして、2nd Gavin Stoddart、3rd Hugh MacCallum の順でした。
 Iain MacFadyen は1977年の覇者でもあり、8年間のコンペ史上初めての2回優勝者となりました。

 ちなみに、ピーブロック部門の 1st も Iain MacFadyen“The Old Men of the Shells”でした。

 その他のコンペティターとそれぞれの曲目は次のとおり。

2nd ★★★ Murray Henderson(1979 年の覇者)“The Lament for the Earl of Antrim”
3rd ★★★ Hugh MacCallum(1978 年の覇者)“The Unjust Incarceration”
4th _★★ Gavin Stoddart“Lament for Ronald MacDonald of Morar”
5th ★★★ John MacDougall“Scarce of Fishing”
★★★ Bill Livingstone“In Praise of Morag”
_★★ Malcolm Macrae“Lament for Donald Douaghal MacKay”
_★★ Iain Morrison“Lord Lovat's Lament”
__☆ Andrew Wright“Park Piobaireachd No.2”
__☆ Jack Lee“The End of the Great Bridge”

(冒頭の印は過去3カ年の連続出場状況/★は出場 /☆は初出場/_は参加実績無し/順位はピーブロック部門)

PT8112Grants_1

 10人のコンペティターたちによる記念撮影。一番左の Jack Lee がいやはや何とも若い! 

PT8112Grants_2

 いつものとおり、レポートで書かれている各コンペティターのそれぞれの演奏について事細かな解説は端折りますが、 Gavin Stoddart による“Lament for Ronald MacDonald of Morar”の演奏に関する記述の中に興味深い一文がありました。

 曰く、「この曲に関して人々は直ぐに、数年前 John Burgess によって演奏された2つのとてつもなく素晴らしいパフォーマンスを思い起こさない訳にはいかない。一つはここ Blair Castle での演奏、もう一つは Clasp(The Northern Meeting)での演奏である。」

 パイプのか おり第22話で書いたとおり、私が最も好むこの曲の究極のパフォーマンスは John Burgess によるものなのですが、やはり同様の思いを懐く人が多く居るということなのですね。
  彼のその時の演奏がどれほど印象的だったか、ということがひしひしと伝わってくる一文です。その John Burgess このときはジャッジ席に座っています。
 ちなみに、キャプションにあるとおり、右端の人物はパイプメイカーとして名高い R.G. Hardie その人です。

PT8112Grants_4

  毎年のコンペティション・シーズンの最後を飾り、その年の主要なコンペでの上位入賞者のみが招待されるこのコンペティ ションが、実質的にその年の The Best of the Best のパイパーを選出する競技会、いうなれば世界一のコンペティションであることは、第8回目を迎えた 1981年の時点で既に衆目一致するところとなっていたようです。

 そして、世界一のコンペティションということは、招待されるパイパーたちの演奏レベルの高さだけでなく、イベント全 体と通じたホスピタリティーについても言える、ということがレポーター(この記事には記名が無いので、多分シェーマス自 身)によって強調されています。Wm Grant and Sons Ltd が全面的に支援するこのイベントの待遇は具体的には次のような手厚いものだということです。

・招待される全てのパイパーと全てのジャッジ(Ceol Mor & Ceol Beag 部門)及びその奥様達について、名誉ゲストとしてホテル宿泊及び前夜祭&メイン・セレモニー&後夜祭へのご招待。
・全てのパイパーと全てのジャッジの会場(Blair Castle)への渡航費用の負担(今回のように二人のカナダ在住パイパーの場合でも当然全てカバーする)。
・コンペティション参加パイパーへのピューター(錫合金)製ウィスキー杯プレゼント。
・全ての聴衆への Glenfiddich ウィスキーのミニチュア・ボトルの記念品プレゼント。

 う〜ん、確かに厚遇ですね。名実ともに世界一な訳だ…。

PT8112Grants_3


  P26 The David Fraser - Lord Lovat Indenture は久方ぶりのピーブ ロックネタ。
 1743年に Lord Lovat たる Simon Fraser と彼のお抱えパイパーであった David Fraser との間で交わされたという「奉公契約書(indenture)」に関する最近の研究報告です。

 1745年の Jacobite Rebellion 以降、没収された土地を管轄するエジンバラの登記官の下で保管されていたその文書が初めて公表されたのは 1909年のこと。その後、1933年に出版された“MacCrimmon of Skye”と いう本や、“Piping Times”Vol.21/No.3(1968年) 誌上、そして、Francis Collinson の“The Bagpipe”(1975 年)などの中で取り上げられてきたということです。
 そして、今回のレポートの中で、1743年3月9日、Simon Fraser of Lord LovatDavid Fraser の間で交わされたその奉公契約書の内容がほぼ1ページに渡って古語混じりの英語のままに再掲されています。参考までに冒頭の何行かを紹介します。  

 "At Beaufort the Nynth day of March One thousand seven hundred and forty three years, It is Contracted and Agreed upon betwixt the Right Honourable Simon Lord Fraser of Lovat. One the one part And David Fraser his Lo(rdshi)ps servant Brother german to William Fraser Tracksman in Bewly his Lo(rdshi)ps Musician, And the said William Fraser as Cautioner and surety for his said Brother on the other part, In manner following That is to say, Whereas the said Simon Lord Fraser of Lovat has out of his own Generosity Cloathd and mantaind the said David Fraser for these severall years past, And has also bestowed upon him during that time for his Education as a Pyper with the now deceast. 〜"

 こんな具合の古い言い回しの契約文書と悪戦苦闘しながらも、どうにかこうにか大づかみに理解したところでは、どうや ら次のようなことが書かれているようです。

・Simon Fraser は David Fraser が一人前のハイランド・パイパー(Highland pyper)と成るべく、スカイ島の高名なパイパーである Malcolm Mcgrimon の下へ7年間の修行を行うために派遣する。
・修行から帰った際には、Simon Fraser は David Fraser をその技量に見合った評価をして丁重に扱う。
・一方で、David Fraser は Simon Fraser 及びその跡継ぎに忠実に仕える義務を負う。
・修行中の7年間については、David Fraser に対してベッドと寝具、家具、衣服、靴と靴下が供給されるとともに、年間 50
merks of scots money(£2.77 sterling)の給料が支払われる。
・もしも、この契約を履行出来なかった場合には、David Fraser は Ten pound Sterling(およそ4年分の給料に相当)を支払う義務を負う。

 ちなみに、1715年頃に生まれ、1811年に 96才で死去したと推定されている David Fraser はこの契約の当時はおよそ28才だったことになります。

 それにしても、さすがに何事も契約で成り立つ西欧社会。クランの主従の間でも当時からこのようなドライで実務的な契 約書が交わされていたのには感心します。
 「スコットランド各地のパイパーたちが一人前のパイパーとなるためにスカイ島のマクリモンの下で7年 間修行する」というのは単なる言い伝えではなくて、このような書面での契約書からも明白に裏付け られていることなのですね。

 

|| Theme Index || Japanese Index || Piping Times Index ||